Product Summary
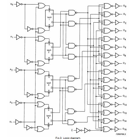
The HEF4514BT is a 1-of-16 decoder/demultiplexer, having four binary weighted address inputs (A0 to A3), a latch enable input (EL), and an active LOW enable input (E). The HEF4514BT 16 outputs (O0 to O15) are mutually exclusive active HIGH. When EL is HIGH, the selected output is determined by the data on An. When EL goes LOW, the last data present at An are stored in the latches and the outputs remain stable. When E is LOW, the selected output, determined by the contents of the latch, is HIGH. At E HIGH, all outputs are LOW. The enable input (E) does not affect the state of the latch. When the HEF4514BT is used as a demultiplexer, E is the data input and A0 to A3 are the address inputs.
Parametrics
HEF4514BT absolute maximum ratings: (1)Voltage - Supply: 4.5 V to 15.5 V; (2)Minimum Operating Temperature: - 40℃; (3)Maximum Operating Temperature: + 85℃; (4)Supply Voltage (Max): 15 V; (5)Supply Voltage (Min): 3 V; (6)Propagation Delay Time: 50 ns.
Features
HEF4514BT features: (1)Mounting Type: Surface Mount; (2)Voltage Supply Source: Dual Supply; (3)Voltage - Supply :4.5 V ~ 15.5 V; (4)Lead Free Status: Lead Free; (5)RoHS Status: .
Diagrams

| Image | Part No | Mfg | Description | ![]() |
Pricing (USD) |
Quantity | ||||||||||||
|---|---|---|---|---|---|---|---|---|---|---|---|---|---|---|---|---|---|---|
![]() |
![]() HEF4514BT,652 |
![]() NXP Semiconductors |
![]() Encoders, Decoders, Multiplexers & Demultiplexers 1-OF-16 DECODR/DEMUX |
![]() Data Sheet |
![]()
|
|
||||||||||||
![]() |
![]() HEF4514BT,653 |
![]() NXP Semiconductors |
![]() Encoders, Decoders, Multiplexers & Demultiplexers 1-OF-16 DECODR/DEMUX |
![]() Data Sheet |
![]()
|
|
||||||||||||
(Hong Kong)









