Product Summary
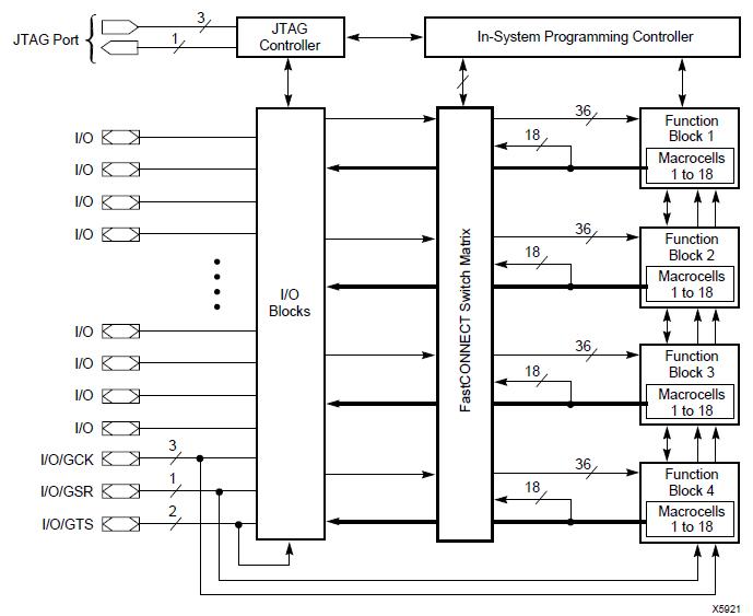
The XC9572-15PC84I is a high-performance CPLD providing advanced in-system programming and test capabilities for general purpose logic integration. It is comprised of four 36V18 Function Blocks, providing 1,600 usable gates with propagation delays of 7.5 ns.
Parametrics
XC9572-15PC84I absolute maximum ratings: (1)Supply voltage relative to GND: -0.5 to 7.0 V; (2)DC input voltage relative to GND: -0.5 to VCC + 0.5 V; (3)Voltage applied to 3-state output with respect to GND: -0.5 to VCC + 0.5 V; (4)Storage temperature: -65 to +150 ℃; (5)Max soldering temperature (10 s @ 1/16 in = 1.5 mm): +260 ℃.
Features
XC9572-15PC84I features: (1)7.5 ns pin-to-pin logic delays on all pins; (2)fCNT to 125 MHz; (3)72 macrocells with 1,600 usable gates; (4)Up to 72 user I/O pins; (5)5 V in-system programmable (ISP): Endurance of 10,000 program/erase cycles, Program/erase over full commercial voltage and temperature range; (6)Enhanced pin-locking architecture; (7)Flexible 36V18 Function Block: 90 product terms drive any or all of 18 macrocells within Function Block, Global and product term clocks, output enables, set and reset signals.
Diagrams

| Image | Part No | Mfg | Description | ![]() |
Pricing (USD) |
Quantity | ||||||||||||||||
|---|---|---|---|---|---|---|---|---|---|---|---|---|---|---|---|---|---|---|---|---|---|---|
![]() |
![]() XC9572-15PC84I |
![]() |
![]() IC CPLD 72 MCELL I-TEMP 84-PLCC |
![]() Data Sheet |
![]() Negotiable |
|
||||||||||||||||
| Image | Part No | Mfg | Description | ![]() |
Pricing (USD) |
Quantity | ||||||||||||||||
![]() |
![]() XC9500 |
![]() Other |
![]() |
![]() Data Sheet |
![]() Negotiable |
|
||||||||||||||||
![]() |
![]() XC9500XV |
![]() Other |
![]() |
![]() Data Sheet |
![]() Negotiable |
|
||||||||||||||||
![]() |
![]() XC9501 |
![]() Other |
![]() |
![]() Data Sheet |
![]() Negotiable |
|
||||||||||||||||
![]() |
![]() XC9502 |
![]() Other |
![]() |
![]() Data Sheet |
![]() Negotiable |
|
||||||||||||||||
![]() |
![]() XC9503 |
![]() Other |
![]() |
![]() Data Sheet |
![]() Negotiable |
|
||||||||||||||||
![]() |
![]() XC9503B093AR-G |
![]() |
![]() IC REG BUCK ADJ 1A DL 10MSOP |
![]() Data Sheet |
![]()
|
|
||||||||||||||||
(Hong Kong)










